Specializing in the Supply of Struts, Gratings and Accessories
Evantlis stocks strut channels for light, medium and heavy-duty applications. Available from cold rolled steel and aluminum; and also galvanized strut channels, stainless steel unistrut. They are corrosion resistant and can be easily installed without welding and are suitable for use in electrical, plumbing, HVAC and seismic bracing applications and are indispensable in modern building projects.
Strut channels are used in many construction and industrial applications due to their flexibility in various uses. When you are constructing structures that require strut channels for seismic bracing or AC supports, Evantlis offers quality merchandise, deep stocks, and reasonable prices. Our prompt response and exceptional customer service set us apart in the strut channel market. This versatility is why Evantlis is a trusted name among strut manufacturers.
Evantlis strut channels come in various finishes like Galva bond, hot-dipped galvanized, stainless steel unistrut, powder coated, plain, and aluminum. Each finish offers advantages such as corrosion protection, durability, and aesthetic appeal. Galvanized strut channels are especially popular for outdoor and industrial use due to their excellent rust and corrosion resistance.



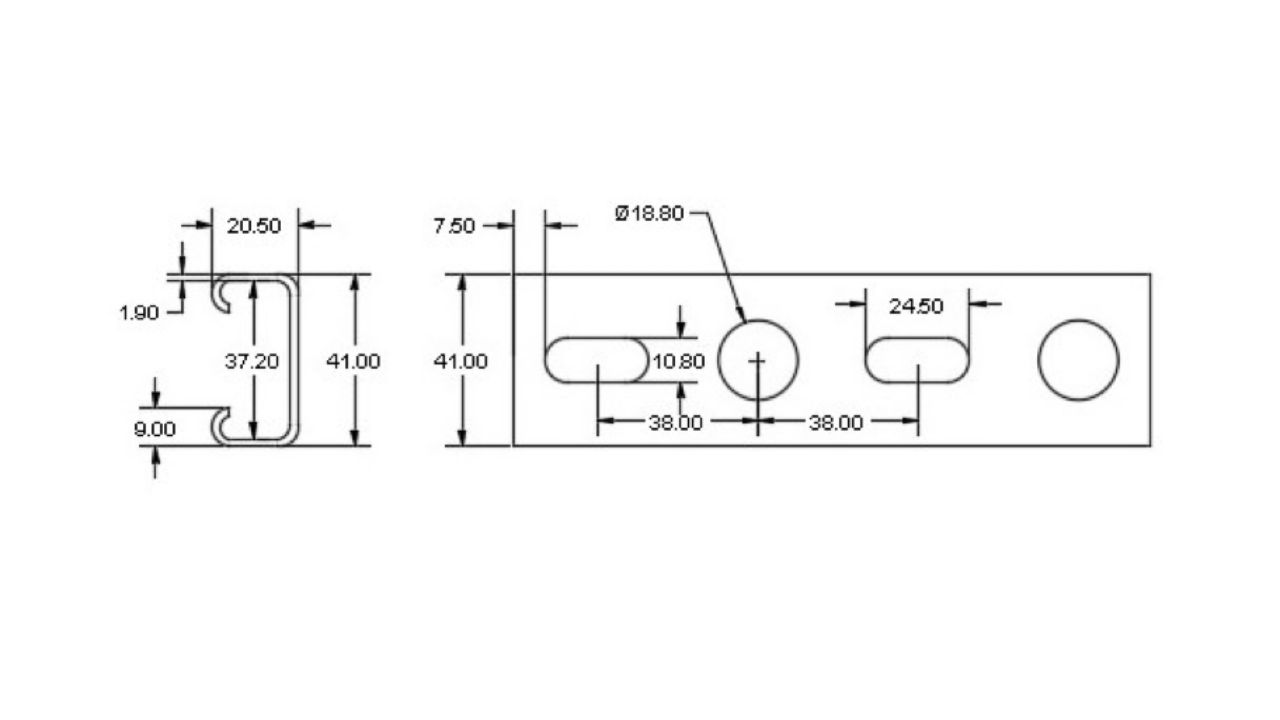
Sizes
The framing system requires no welding or drilling; installation is achieved solely with the use of a Spanner. And yes, its 100% reusable.
Supplied in bundles of 50 or 100, with 1 ¼” steel banding and 2 straps per bundle for unloading.



We offer a wide range of accessories and fittings to complement our strut channels, ensuring comprehensive solutions for all your structural needs:
Our slotted angles are 2-sided 90° equal angles, available in 30 x 30 mm and 50 x 50 mm sizes. They feature one slotted and one solid face for versatile use.
Strut nuts are used to join strut channels, fittings, and pipe clips. They come in no spring, short spring, long spring, and stud nut variations, with pre-pressed springs/studs for reduced installation time. Simply insert into the open face of the strut channel, then turn 90° to align locking teeth into the channel lip.
Pipe clamps are used in conjunction with Strut channel to clamp pipework perpendicularly. Suits all our Strut channel variants. Comes with bolt and nut. Full range available.
For factory flooring, construction walkways, or corrosion-resistant platforms, our grip struts offer superior performance and safety.
Ideal for high-traffic areas exposed to oil or grease, their open diamond pattern ensures excellent slip resistance and drainage, reducing workplace accidents.
Our struts, especially the aluminum struts, are highly corrosion-resistant and strong for their weight. This makes them perfect for outdoor and industrial use. They are particularly effective in regions with varying climates, as they don’t corrode or lose color over time, ensuring long-lasting durability.
Our grip struts are produced to ASTM A1011 for carbon steel and ASTM B221 for aluminum, ensuring the right mechanical properties like tensile and yield strength. Key tests and standards include:
Our metal gratings are ideal for various applications, including floor gratings and safety platforms. Aluminum grating is lightweight and corrosion-resistant, while stainless steel grating withstands corrosive chemicals and extreme temperatures. Steel bar grating offers higher strength and durability for demanding applications.
Our metal gratings are produced to ASTM A1011, A36, and A240 standards, ensuring proper tensile and yield strength for high-stress conditions. Each grating undergoes load testing and corrosion resistance tests to meet acceptance criteria and ensure long-term reliability.
In oil refineries, stainless steel grating is essential for platforms and walkways exposed to corrosive substances. In manufacturing plants, steel bar grating provides robust and reliable flooring solutions. For public infrastructure, expanded steel grating is frequently used in bridge decking and catwalks due to its strength and cost-efficiency. Additionally, aluminum grating is perfect for marine environments and chemical processing plants due to its excellent resistance to corrosion and lightweight properties.
